欢迎来到江西天翼膜结构有限公司! 今天是2026年05月17日 星期日
咨询热线:
13870988890
新闻动态
首页 > 新闻中心 > 膜结构受力特性

膜结构受力特性

来源:-- 时间:2020-02-27


膜结构受力特性

(高效的张拉结构)

膜结构是以高强度的柔性薄膜材料

经张拉或充气形成稳定的曲面

承受外荷载的结构形式

其造型自由、轻巧、柔美,充满力量感


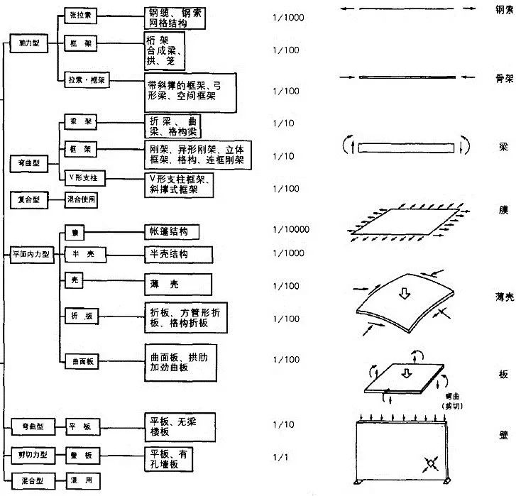
结构形式谱系简图

在上面的结构体系简图中

膜结构属于利用形抗的全轴力张拉结构

其结构效率是非常高的

利用膜材料的高抗拉强度

单独考虑膜材的跨度与其厚度的比值

可以达到1/10000

是最极致的轻型结构

 构件尺寸与跨度的比值(估算)

文章来源于:http://www.jxtymjg.com

13870988890
  • 在线QQ咨询
  • 在线QQ咨询